Tandem-Lineargehäuseeinheit TGC29-16 mit KH-1630 (fertig montiert für 16 mm Wellen)
Auf Lager (Anfertigung)
| ab | Brutto | Sie sparen |
| 5 Stk. | 83,41 € | 5% |
| 10 Stk. | 79,02 € | 10% |
| 20 Stk. | 74,62 € | 15% |
| 50 Stk. | 70,23 € | 20% |
Versand nach
Technische Details
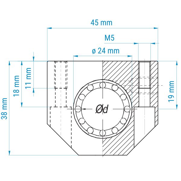
| Bohrung 1 | ø 4,3 mm |
| Breite | 45 mm |
| Höhe | 38 mm |
| Lagerdurchmesser | ø 24 mm |
| Wellendurchmesser | 16 mm |
„Compact“-Ausführung – Die Kompaktbaureihe
Die Kompaktbaureihe ist durch kleinere Abmessungen für geringen Bauraum ausgelegt und häufig kostengünstiger als die Standardausführung. Die Linearkugellager heißen hier Kugelhülsen (Compact-Kugelbüchsen). Diese müssen immer in die Gehäuse eingepresst werden (Presspassung). Daher empfehlen wir, die bereits fertig montierten Lineargehäuseeinheiten bei uns zu bestellen.
Lager der Compact-Baureihe sind für die meisten Standardanwendungen und geringe Tragzahlen geeignet.
Tandem Linear-Einheit in der Kompaktbaureihe
Bei der Tandem-Version sind zwei Kugelhülsen hintereinander montiert. Dadurch sind die Einheiten besonders tragfähig.
Die Lineargehäuse werden an der Anschlusskonstruktion angeschraubt.
Die Compact Tandem-Lineargehäuse nehmen zwei Kugelhülsen auf, die in das Gehäuse eingepresst werden.
Damit bewegt sich die fest verschraubte Einheit unter dem bewegten Bauteil auf der Welle. Für die lineare Bewegung kommen Linearkugellager zum Einsatz.
So lassen sich sehr hohe Traglasten aufnehmen; zugleich sind hohe Geschwindigkeiten möglich.
Aluminiumgehäuse – Made in Germany
Das Gehäuse ist einteilig aus stranggepresstem Aluminium gefertigt.
Die Bohrungen für den stabilen, hochpräzisen Halt der Linearkugellager entstehen unter Einhaltung strenger Industrietoleranzen.
Die Auswahl des Kugellagers
Sie können Compact-Lineargehäuse fertig montiert inkl. Kugelhülse bestellen. Alternativ erhalten Sie auch einzelne Gehäuse ohne Kugellager.
Fertig montiert mit Kugelhülse (Compact-Linearkugellager)
Bestellen Sie die fertig montierte Lineargehäuseeinheit, pressen wir die Kugelhülsen für Sie ein. Sie erhalten die Gehäuseeinheit einbaufertig.
Standard-Kugelhülse
ohne Winkelfehlerausgleich.
Kugelhülsen mit Laufbahnplatten
Die Ausführung mit Laufbahnplatten ermöglicht einen präzisen Kugellauf und insbesondere die Einstellung der radialen Lagerluft.
Gehäuse ohne Lager
Geeignet für den Einsatz von Linearkugellagern oder Gleitbuchsen beliebiger Hersteller.
Dichtung Kugellager
Sie können die Kugelhülse mit oder ohne Dichtung bestellen. In der Regel wird die abgedichtete Ausführung gewählt, um Staub und Schmutz abzuweisen. Ungedichtete Lager kommen häufig bei höheren Temperaturen zum Einsatz.



