Stehlager-Lineargehäuseeinheit lang ALGSO-16 mit TK-16-OP-UU (fertig montiert für 16 mm Wellen)
Auf Lager (Anfertigung)
| ab | Brutto | Sie sparen |
| 5 Stk. | 66,01 € | 5% |
| 10 Stk. | 62,53 € | 10% |
| 20 Stk. | 59,06 € | 15% |
| 50 Stk. | 55,58 € | 20% |
Versand nach
Technische Details
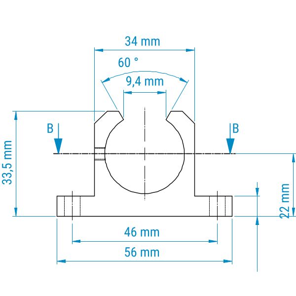
| Bohrung 1 | ø 5,3 mm |
| Breite | 56 mm |
| Höhe | 33,5 mm |
| Lagerdurchmesser | ø 26 mm |
| Wellendurchmesser | 16 mm |

Stehlager für Linearkugellager zur einfachen Befestigung
Die Stehlager-Lineargehäuse werden über den Fuß auf horizontalen Flächen angeschraubt.
Die Stehlager nehmen ein Linearkugellager auf, das über Sicherungsringe oder eine Stellschraube fixiert wird.
Sie bewegen sich fest verschraubt unter dem bewegten Bauteil auf der Welle; zur linearen Bewegung auf der Welle kommen Linearkugellager zum Einsatz.
So können sie hohe Traglasten aufnehmen und sind für große Geschwindigkeiten geeignet.
Aluminiumgehäuse – Made in Germany
Das Gehäuse ist als ein einziges Bauteil aus stranggepresstem Aluminium gefertigt.
Die Bohrungen für den stabilen und hochpräzisen Halt der Linearkugellager werden unter Einhaltung strenger Industrietoleranzen gefertigt.
Ausführung
Die geschlossene Ausführung ist der Standard und ist für freihängende Wellen geeignet. Meist mit Wellenböcken montiert.
Die offene Ausführung ist für Tragschienen (Wellen mit Wellenunterstützung) geeignet.
geschlossen (Standard)
für Linearkugellager, die als geschlossener Ring gefertigt sind und freihängende Wellen.
offen (für Tragschienen)
Sobald eine Wellenunterstützung montiert ist, muss ein offenes Lineargehäuse verwendet werden.
Varianten – Langer oder kurzer Fuß
Standard
Beim Stehlager ohne längeren Fuß ist das Lager länger als der Standfuß.
langer Fuß
Hier ist der Fuß des Stehlagers in der gleichen Länge wie das passende Linearkugellager gefertigt und schließt damit bündig ab.
Die Auswahl des Kugellagers
Sie können die Lineargehäuse bei uns fertig montiert inkl. Linearkugellager bestellen. Sie haben die Möglichkeit, auch einzelne Gehäuse ohne Linearkugellager zu bestellen.
Fertig montiert mit Linearkugellager
Wenn Sie die fertig montierte Lineargehäuseeinheit bestellen, setzen wir die Linearkugellager für Sie ein und sichern diese über die Sicherungsringe oder die Stellschraube. Sie erhalten damit eine Gehäuseeinheit fertig zum Einbau.
Standard-Linearkugellager
ohne Winkelfehlerausgleich.
Super (mit Winkelfehlerausgleich)
Das Superkugellager hat eine deutlich höhere Traglast. Mit den Laufbahnplatten kann es zudem bis zu 1 Grad Winkelfehler ausgleichen.
Premium
Das TK Linearkugellager ist noch präziser als das Superkugellager und nimmt höhere statische Traglasten auf. Mit den Laufbahnplatten kann es zudem bis zu 1 Grad Winkelfehler ausgleichen.
Gehäuse ohne Lager
Geeignet für den Einsatz von Linearkugellagern oder Gleitbuchsen aller Hersteller.



