









PU-Zahnriemen 500-H-offen-Stahl
Auf Lager (Zuschnitt)
Versand nach
Eigenschaften
- offene Meterware
- Temperaturbereich von -30°C bis + 80°C
- Zugträger aus Stahl oder Aramid (Kevlar)
Technische Details
| Profil | H |
| Teilung (t) | 12,7 mm |
| Breite | 127 mm |
| Polyamidgewebe | ohne Gewebe (Standard) |
| Zugträger | Stahl |

PU-Zahnriemen Meterware im H-Profil
Zahnriemen aus Polyurethan (PU) gewährleisten eine sehr hohe Längenstabilität sowie einen sehr geringen Abrieb. Das Material ist grau, milchig oder nahezu transparent. Im Vergleich zu Neopren ist Polyurethan chemikalienbeständiger.
Zahnriemen dieser Art werden als Rollenware gefertigt und auf Länge und Breite zugeschnitten. Dies bedeutet, dass die Längenauswahl frei wählbar ist. Für Linearantriebe werden diese Riemen als offene Meterware verwendet und als verschweißte Riemen meist für Transportanwendungen.
Meterware aus thermoplastischem PU (Polyurethan) kann beliebig in der Länge verschweißt werden. Meterware-Zahnriemen werden sowohl auf die Breite als auch auf Ihr gewünschtes Längenmaß zugeschnitten. Die Rollenware ist in bis zu 100 m Länge und 6 - 300 mm Breite verfügbar.

Verschweißte Meterware
PU-Meterware kann auch in beliebiger Länge geschlossen geliefert werden. Hierzu stanzen wir die Zahnriemen-Enden und verschweißen diese anschließend. Verschweißte Riemen verfügen über ca. 50 % der Zugkraft von geschlossen gefertigten Riemen.

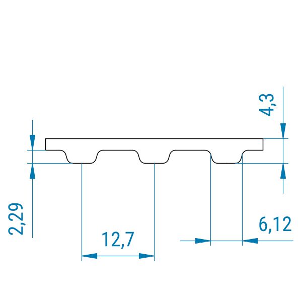
H-Profil
Das Profil eines Zahnriemens gibt Form, Größe und Abstand der Zähne an.
Zöllige Profile sind trapezförmig. Die Zahnlücken eines Zoll-Profils sind dabei größer als die Zähne selbst. Riemenlängen und -breiten werden in Zoll angegeben. Dies gilt auch für die Riementeilung in der Profilbezeichnung. Je nach Profil steht das Komma bei der Längenangabe an unterschiedlicher Stelle.
Zahnriemen im H-Profil werden in zölligen Maßen angegeben. Der Teilungsabstand von Zahnmitte zu Zahnmitte beträgt hierbei 12,7 mm. Die Bezeichnung auf dem Riemenrücken des Zahnriemens im H-Profil gibt das Profil und die Gesamtlänge in einem zölligen Maß an. Die Riemenbreite ist meist nicht auf dem Riemen aufgedruckt.
Sie haben hier die Wahl zwischen Stahl- und Kevlarzugträger
Die Zugträger im Zahnriemen bestimmen die Zugkraft (Lasttrumkraft) des Riemens. Die Wahl des Materials hängt von den spezifischen Anforderungen der Anwendung ab.

Stahlzugträger
Stahlzugträger ermöglichen hohe Zugkräfte bei Zahnriemen. Durch Verdrillen erhalten die dünnen, verzinkten Zugträger eine hohe Stabilität und Zugfestigkeit. Da Stahl korrodiert, sind diese Zugträger nicht für den Einsatz im Wasser geeignet.
Stahlzugträger haben innerhalb desselben Riemenprofils eine höhere Zugkraft als Kevlarzugträger und sind steifer sowie widerstandsfähiger.
Kevlarzugträger (Aramid)
Kevlarzugträger (Aramid) halten gegenüber Stahl Stoßbelastungen besser stand. Ihre Flexibilität ermöglicht die Aufnahme kurzer Lastspitzen, ohne zu reißen. Trotz dieser Flexibilität sollten Kevlarzugträger nicht enger umgelenkt werden als Stahlzugträger, da Kevlar eine geringere Biegewechselfestigkeit aufweist. Im Wassereinsatz kann Aramid quellen und so eine höhere Vorspannkraft erzeugen.
Polyamidgewebe
Gewebe aus Polyamid dient der Reibungs- und Geräuschreduzierung. Das Polyamidgewebe befindet sich als zusätzliche Beschichtung auf dem Riemen. Es kann auf der Zahnseite und/oder am Riemenrücken eines Zahnriemens angebracht sein.
Sie haben hier die Wahl zwischen zwei verschiedenen Varianten

PAZ - Polyamidgewebe auf Zahnseite
PAZ = Polyamidgewebe auf Zahnseite
Zahnriemen mit PAZ werden meist benötigt, wenn deren Zahnseite beim Betrieb auf einer Fläche aufliegt. Außerdem wird PAZ beim Betrieb von Null-Lücke-Zahnriemenscheiben (Sonderanfertigung) empfohlen. Durch das PA-Gewebe reduzieren sich Reibung und Geräuschbildung.

PAZ/PAR - Polyamidgewebe auf Zahnseite und dem Riemenrücken
PAZ = Polyamidgewebe auf Zahnseite
PAR = Polyamidgewebe auf Rückseite
Zahnriemen mit PAZ und PAR werden meist benötigt, wenn die Zahnseite und der Riemenrücken beim Betrieb auf einer Fläche aufliegen. Durch das PA-Gewebe reduzieren sich Reibung und Geräuschbildung.

Zuschnittsware
Dieser Riemen wird in den von Ihnen gewünschten Maßen zugeschnitten. Bitte beachten Sie: Aufgrund des Zuschnitts sind diese Riemen vom Widerrufsrecht ausgeschlossen, da sie nicht wieder eingelagert werden können.
von 09:00 - 12:00
und 13:00 - 16:00 (freitags bis 14:00)
und ab 39,00 € versandkostenfrei.
für Firmen und Bestandskunden
