





Zahnriemenscheibe 60-5M-15 mit H7 Fertigungsbohrung
Auf Lager (Anfertigung)
ab | Brutto | Sie sparen |
2 Stk. | 52,51 € | 4% |
5 Stk. | 50,37 € | 8% |
10 Stk. | 47,65 € | 13% |
20 Stk. | 46,10 € | 16% |
50 Stk. | 42,17 € | 23% |
Versand nach
Eigenschaften
- ab 44 Zähnen aus Aluminium
- bis 40 Zähne aus Stahl
- für Taperbuchsen immer aus Stahl
- Hochqualitativ mit hoher Verzahnungsgüte
Technische Details
Profil | 5M |
Zähnezahl | 60 Zähne |
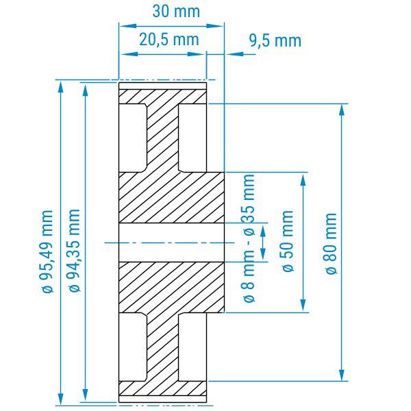
Kopfkreisdurchmesser (De) | ø 94,35 mm |
Riemenbreite | 15 mm |
Zolltarifnummer | 84835080 |
Zahnriemenscheibe im 5M-Profil
Das Profil der Zahnriemen gibt die Form, Größe und den Abstand der Zähne des Zahnriemens an.
Die Zahnriemenscheibe muss das gleiche Profil und somit auch die gleiche Teilung wie der Zahnriemen haben.
Die Zahnriemenscheiben im 5M-Profil sind somit für die Zahnriemen im HTD, Omega oder RPP-Profil mit 5 mm Teilung einsetzbar.
Alle drei Profilarten laufen in den HTD-Zahnriemenscheiben.
Die Zahnlücken der HTD-Zahnriemenscheiben sind halbrund.
Das Profil der passenden Zahnriemen für die HTD-Scheiben ist halbrund oder parabelförmig.
In manchen Fällen weist dieses an der Zahnspitze eine Nut auf.
Die Teilung der Zahnriemenscheibe muss exakt zum Riemen passen.
Die HTD-5M-Zahnriemenscheibe eignet sich für HTD-, RPP- und Omega-Zahnriemen mit 5 mm Teilung.
Kleine Zahnriemenscheiben aus Stahl und große aus Aluminium
Zahnriemenscheiben mit dem Profil 5M werden bis zu 40 Zähnen aus Stahl und ab 44 Zähnen aus Aluminium gefertigt.
Stahl ist ein robustes und langlebiges Material, das für hohe Belastungen geeignet ist.
Das Material weist eine hohe Härte und eine gute Wärmebeständigkeit auf.
Zahnriemenscheiben aus Stahl besitzen eine hoch abriebfeste Zahnseite und eignen sich ideal für den Einsatz mit Spannsätzen.
Aluminium ist ein leichtes und langlebiges Metall, das einfach zu bearbeiten ist.
Zahnriemenscheiben aus Aluminium lassen sich zudem eloxieren, weisen eine hohe Wärmeleitfähigkeit auf und sind gut elektrisch leitfähig.
Aluminium-Zahnriemenscheiben sind aufgrund ihres geringen Gewichts ideal für hohe Geschwindigkeiten.
Riemenbreite
Die angegebene Riemenbreite entspricht der maximalen Breite des passenden Zahnriemens.
Die Bezeichnung der Zahnriemenscheibe beim 5M-Profil gibt stets die gesamte Breite der Scheibe an.
Die Riemenbreite lässt sich aus der Bezeichnung der Zahnriemenscheibe nicht direkt ablesen.
Damit der Riemen nicht verklemmt oder seitlich anläuft, ist die verzahnte Breite der Zahnriemenscheibe grundsätzlich etwas größer als die maximal empfohlene Riemenbreite des passenden Zahnriemens.
Zähnezahl der Zahnriemenscheiben
Die Zähnezahl der Zahnriemenscheibe bestimmt ihren Durchmesser.
Je höher die Zähnezahl, desto größer ist der Scheibendurchmesser.
Die Zähne des Zahnriemens müssen formschlüssig in die Zahnlücken des entsprechenden Profils der Zahnriemenscheibe eingreifen.
Zahnriemenscheiben mit kleiner Zähnezahl besitzen Bordscheiben.
Bei größerer Zähnezahl entfallen diese, da die ausreichende Anzahl an Zähnen verhindert, dass der Riemen seitlich verrutschen kann.
Zahnriemenscheiben ab Lager mit Vorbohrung oder Taperbuchseneinsatz
vorgebohrt / angesenkt
Zahnriemenscheiben mit Vorbohrung sind entweder mit einer kleinen Bohrung versehen oder besitzen eine Zentrierbohrung (angesenkt).
Vor allem kleine Zahnriemenscheiben besitzen meist keine Durchgangsbohrung.
In diesen Zahnriemenscheiben ist dann lediglich eine angekörnte Vorbohrung (Zentrierbohrung) erkennbar.
Die Zahnriemenscheiben sind meist Lagerware und können schnell geliefert werden.
Taperbuchseneinsatz
Zahnriemenscheiben können mit einer Befestigung für Taperbuchsen gefertigt werden.
Die Taperbuchse ist ein Spannelement, welches in einer Wellen-Naben-Verbindung eingesetzt werden kann.
Die passende Taperbuchse lässt sich problemlos mit der gewünschten Zahnriemenscheibe verspannen und mittels Madenschrauben befestigen (Schrauben im Lieferumfang der Taperbuchse enthalten).
Das Spannelement fixiert eine Zahnriemenscheibe axial auf einer Welle.
An der Innenseite der Zahnriemenscheibe befinden sich drei Halbbohrungen, die zusammen mit den Halbbohrungen der Taperbuchse zu Gewindebohrungen ergänzt werden. Darüber lassen sich die Schrauben zum Verspannen und Lösen einschrauben.
Bohrungsbearbeitung zur Wellenbefestigung
Sie haben die Option, die Zahnriemenscheiben mit Ihrer gewünschten Bohrung bearbeiten zu lassen.
Die Zahnriemenscheiben werden in der Toleranzklasse H7 gefertigt.
Antriebswellen sind meist nach h6 genormt.
Fertigungsbohrung
Die Zahnriemenscheibe wird mit einer zentralen Bohrung in der Mitte der Scheibe gefertigt.
Die H7-Fertigungsbohrung dient als präzise Spielpassung für eine h6-Welle (Standard).
Diese lässt sich noch auf der Welle verdrehen und verschieben.
Die Fertigungsbohrung wird nach DIN H7 gefertigt.
Bohrung mit DIN-Nut
Die Zahnriemenscheibe wird auf eine Welle mithilfe einer Bohrung und DIN-Nut befestigt.
In die Bohrung wird eine Nut eingebracht, die mithilfe einer Passfeder eine sichere Verbindung zur Welle ermöglicht.
Nut und Passfeder sorgen für eine sichere, formschlüssige Befestigung auf der Welle.
Die Bohrung und die Nut werden nach DIN gefertigt und sind mit der Antriebswelle abzustimmen.
Die Zahnriemenscheibe wird zusammen mit einer Passfeder formschlüssig befestigt.
Bohrung und Gewindebohrung
Die Zahnriemenscheibe wird durch eine Fertigungsbohrung passend zum Wellendurchmesser auf eine Welle geschoben und mit einer Befestigungsbohrung für einen Gewindestift versehen.
Hier wird zusätzlich zur Fertigungsbohrung eine Gewindebohrung 90 ° zur Welle angebracht.
In dieser kann mittels Madenschraube/Gewindestift (nicht im Lieferumfang enthalten) die Scheibe mit der Welle verklemmt werden.
Bohrung mit DIN-Nut und Gewindebohrung auf Nut
Die Zahnriemenscheibe wird auf eine Antriebswelle mithilfe einer DIN-Nut und einer Gewindebohrung befestigt.
Die DIN-Nut wird in die Fertigungsbohrung gestoßen.
Nut und Passfeder sorgen für eine sichere Formschlussbefestigung auf der Welle.
Die Bohrung und die Nut werden nach DIN gefertigt und sind mit der Antriebswelle abzustimmen.
Die Zahnriemenscheibe wird zusammen mit einer Passfeder formschlüssig befestigt.
Dies sorgt für eine starke und zuverlässige Verbindung zwischen Zahnriemenscheibe und Welle.
Bohrung mit 2x Gewindebohrungen – je 90° versetzt
Es werden 2 Gewindebohrungen senkrecht zur Fertigungsbohrung angebracht.
Die Gewindebohrungen sind um 90 ° zueinander versetzt.
Die Madenschrauben werden in die Gewindebohrungen eingefügt und angezogen, um die Zahnriemenscheibe sicher an der Welle zu befestigen.
Durch die zusätzlichen Gewindebohrungen kann mehr Kraft übertragen werden.
Dies bietet zusätzlich Stabilität und Sicherheit für die Verbindung zwischen der Zahnriemenscheibe und der Antriebswelle.
Bohrungen mit 3x Gewindebohrungen – je 120° versetzt
Es werden 3 Gewindebohrungen senkrecht zur Fertigungsbohrung angebracht.
Die Gewindebohrungen sind um 120 ° versetzt.
Die Madenschrauben werden in die Gewindebohrungen eingefügt und angezogen, um die Zahnriemenscheibe sicher an der Welle zu befestigen.
Durch die zusätzlichen Gewindebohrungen kann mehr Kraft übertragen werden.
Dies bietet zusätzlich verstärkte Stabilität und Sicherheit für die Verbindung zwischen der Zahnriemenscheibe und der Antriebswelle.
Anfertigungsware
Diese Zahnriemenscheibe wird mit der von Ihnen gewünschten Bohrung angefertigt.
Bitte beachten Sie, dass diese Zahnriemenscheiben aufgrund der kundenspezifischen Anfertigung vom Widerrufsrecht ausgeschlossen sind, da sie nicht wieder eingelagert werden können und gemäß Ihren Vorgaben bearbeitet wurden.
Sonderbohrungsbearbeitung
Unsere Bearbeitungszeit für Zahnriemenscheiben beträgt in der Regel ca. 7–10 Werktage.
Die Scheiben können mit Bohrungen, DIN-Nuten und Befestigungsbohrungen ausgestattet werden.
Wählen Sie hierzu unter Wellenbefestigung "Fertigungsbohrung" die passende Option aus.
Für größere Mengen können Sie uns gerne anfragen.
Auf Anfrage führen wir gerne spezielle Bearbeitungen an den Riemenscheiben für Sie durch.
Hierfür benötigen wir von Ihnen eine technische Zeichnung zur Kalkulation und zur exakten Bearbeitung.
Sonderscheiben können in ca. 4–6 Wochen angefertigt werden.
Mit einem Expresszuschlag können wir Kleinmengen häufig auch kurzfristig liefern.