Kettenrad gehärtet 12B-1 / 15 Zähne - Bohrung 30 mm, Nut und zwei Gewindebohrungen
Auf Lager
| ab | Brutto | Sie sparen |
| 2 Stk. | 35,94 € | 5% |
| 5 Stk. | 34,05 € | 10% |
| 10 Stk. | 32,15 € | 15% |
| 20 Stk. | 30,26 € | 20% |
Versand nach
Eigenschaften
- 2 Stellschraubengewinde
- Ab Lager, fertig bearbeitet
- induktionsgehärtete Zähne (HRC 50)
- Nut nach DIN 6885
Technische Details
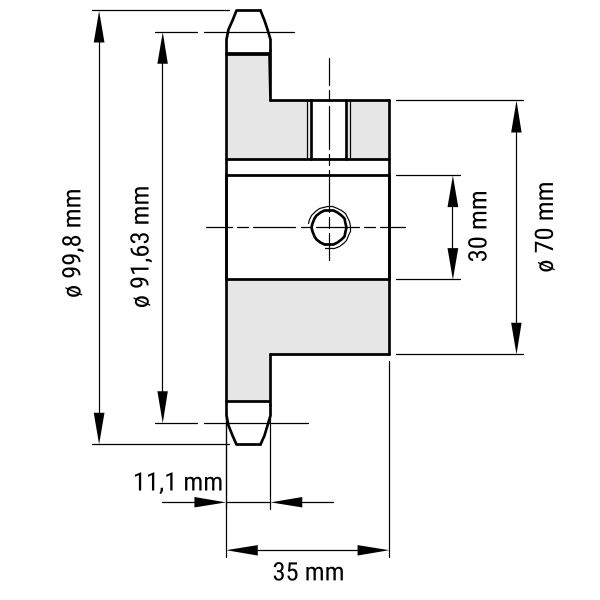
| Profil | 12B (3/4" x 7/16") |
| Teilung (t) | 19,05 mm |
| Zähnezahl | 15 Zähne |
| Bohrung (D) | 30 mm |
| Kopfkreisdurchmesser (de) | ø 99,8 mm |
Das 12B-Profil (3/4″ × 7/16″)

Mit einer Teilung von 19,05 mm ist die 12B-Ausführung für höhere Drehmomente geeignet. Sie findet Anwendung in leistungsstarken Antrieben und robusten Maschinen, etwa im Anlagenbau oder der Holzverarbeitung.

Kettenräder einbaufertig mit Nut und Befestigungsbohrungen im Profil 12B
Wählen Sie den gewünschten Bohrungsdurchmesser und Sie erhalten ein einbaufertiges Kettenrad mit gehärteten Zähnen.
Die Kettenräder sind passend für Rollenketten und Förderketten im Profil 12B und zeichnen sich durch ihre hochwertige Industriequalität aus.

Material
Diese Kettenräder verfügen über gehärtete Zähne (HRC 50).
Im Vergleich zu Rädern mit ungehärteten Zähnen sind sie noch robuster und langlebiger. Zudem ermöglichen sie eine höhere Kraftübertragung.
Das Grundmaterial Stahl C45 wird hierzu induktiv gehärtet.
Hierdurch erreichen die Zähne des Kettenrads eine hohe Dauerfestigkeit und sind deutlich verschleißärmer.
Ausführungen
Rollenketten im 12B-Profil sind als einfache (simplex) und zweifache (duplex) Varianten erhältlich.
Das bedeutet, dass sie für Kettenräder oder Kettenradscheiben mit einem bis zwei Zahnkränzen eingesetzt werden können.
Es gilt: Mit zunehmender Reihenanzahl steigt die Zugkraft der Kette.
Vor allem bei kleinen Durchmessern der Kettenräder und Kettenradscheiben sind Mehrfachketten empfehlenswert. Rollenketten in anderen Profilen sind auch als Dreifachketten erhältlich.
von 09:00 - 12:00
und 13:00 - 16:00 (freitags bis 14:00)
und ab 39,00 € versandkostenfrei.
für Firmen und Bestandskunden




