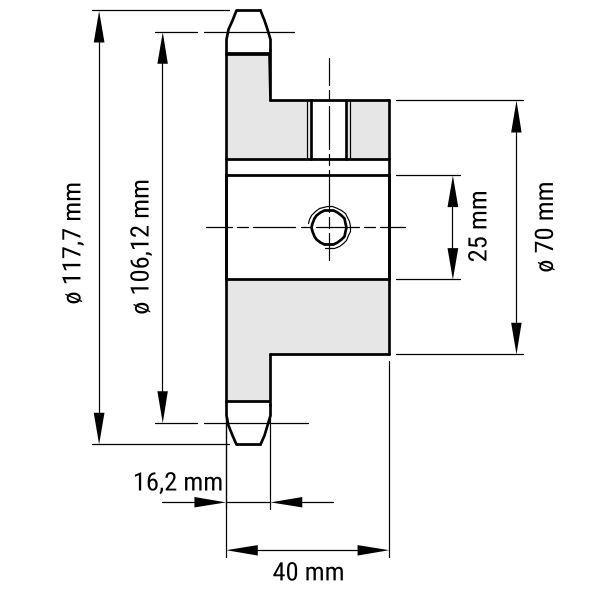
Kettenrad gehärtet 16B-1 / 13 Zähne - Bohrung 25 mm, Nut und zwei Gewindebohrungen
Auf Lager
| ab | Brutto | Sie sparen |
| 2 Stk. | 49,41 € | 5% |
| 5 Stk. | 46,81 € | 10% |
| 10 Stk. | 44,21 € | 15% |
| 20 Stk. | 41,60 € | 20% |
Versand nach
Eigenschaften
- 2 Stellschraubengewinde
- Ab Lager, fertig bearbeitet
- induktionsgehärtete Zähne (HRC 50)
- Nut nach DIN 6885
Technische Details
| Profil | 16B (1" x 17,02 mm) |
| Teilung (t) | 25,4 mm |
| Zähnezahl | 13 Zähne |
| Bohrung (D) | 25 mm |
| Kopfkreisdurchmesser (de) | ø 117,7 mm |
Das 16B-Profil (1″ × 17,02 mm)

Diese robuste Variante ermöglicht zuverlässige Kraftübertragung bei erhöhter Belastung. Die Teilung von 25,4 mm eignet sich für industrielle Maschinen mit hohem Leistungsbedarf, wie z. B. Förderanlagen oder Pressen.

Kettenräder einbaufertig mit Nut und Befestigungsbohrungen im Profil 16B
Wählen Sie den gewünschten Bohrungsdurchmesser und Sie erhalten ein einbaufertiges Kettenrad mit gehärteten Zähnen.
Die Kettenräder sind passend für Rollenketten und Förderketten im Profil 16B und zeichnen sich durch ihre hochwertige Industriequalität aus.

Material
Diese Kettenräder verfügen über gehärtete Zähne (HRC 50).
Im Vergleich zu Rädern mit ungehärteten Zähnen sind sie noch robuster und langlebiger. Zudem ermöglichen sie eine höhere Kraftübertragung.
Das Grundmaterial Stahl C45 wird hierzu induktiv gehärtet.
Hierdurch erreichen die Zähne des Kettenrads eine hohe Dauerfestigkeit und sind deutlich verschleißärmer.
von 09:00 - 12:00
und 13:00 - 16:00 (freitags bis 14:00)
und ab 39,00 € versandkostenfrei.
für Firmen und Bestandskunden




