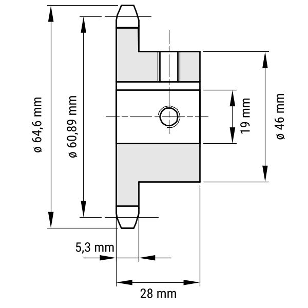
Kettenrad gehärtet 06B-1 / 20 Zähne - Bohrung 19 mm, Nut und zwei Gewindebohrungen
Auf Lager
| ab | Brutto | Sie sparen |
| 2 Stk. | 22,13 € | 5% |
| 5 Stk. | 20,97 € | 10% |
| 10 Stk. | 19,80 € | 15% |
| 20 Stk. | 18,64 € | 20% |
Versand nach
Eigenschaften
- 2 Stellschraubengewinde
- Ab Lager, fertig bearbeitet
- induktionsgehärtete Zähne (HRC 50)
- Nut nach DIN 6885
Technische Details
| Profil | 06B (3/8" x 7/32") |
| Teilung (t) | 9,525 mm |
| Zähnezahl | 20 Zähne |
| Bohrung (D) | 19 mm |
| Kopfkreisdurchmesser (de) | ø 64,6 mm |
Das 06B-Profil (3/8″ × 7/32″)

06B ist das am häufigsten verwendete kleine Kettenprofil mit einer Teilung von 9,525 mm und wird immer mit geraden Laschen ausgeführt. Es verbindet kompakte Bauweise mit stabiler Kraftübertragung, ideal für beengte Förderanlagen.

Kettenräder einbaufertig mit Nut und Befestigungsbohrungen im Profil 06B
Wählen Sie den gewünschten Bohrungsdurchmesser und Sie erhalten ein einbaufertiges Kettenrad mit gehärteten Zähnen.
Die Kettenräder sind passend für Rollenketten und Förderketten im Profil 06B und zeichnen sich durch ihre hochwertige Industriequalität aus.

Material
Diese Kettenräder verfügen über gehärtete Zähne (HRC 50).
Im Vergleich zu Rädern mit ungehärteten Zähnen sind sie noch robuster und langlebiger. Zudem ermöglichen sie eine höhere Kraftübertragung.
Das Grundmaterial Stahl C45 wird hierzu induktiv gehärtet.
Hierdurch erreichen die Zähne des Kettenrads eine hohe Dauerfestigkeit und sind deutlich verschleißärmer.
Ausführungen
Rollenketten im 06B-Profil sind als einfache (simplex) und zweifache (duplex) Varianten erhältlich.
Das bedeutet, dass sie für Kettenräder oder Kettenradscheiben mit einem bis zwei Zahnkränzen eingesetzt werden können.
Es gilt: Mit zunehmender Reihenanzahl steigt die Zugkraft der Kette.
Vor allem bei kleinen Durchmessern der Kettenräder und Kettenradscheiben sind Mehrfachketten empfehlenswert. Rollenketten in anderen Profilen sind auch als Dreifachketten erhältlich.
von 09:00 - 12:00
und 13:00 - 16:00 (freitags bis 14:00)
und ab 39,00 € versandkostenfrei.
für Firmen und Bestandskunden




